Станок для производства кирпича лего своими руками
Кирпич из лего — это инновационный материал для проведения строительных работ. Он собрал наилучшие характеристики кирпича — шумопоглащение, твердость, эко-характеристики, сбережение тепла, огнестойкость.
И cтанок для производства лего-кирпича своими руками может быть отличным и очень прибыльным бизнесом. Более того, такое дело будет во многом уникальным и не встретит конкуренции на рынке.
- Оборудование для изготовления
- Чертежи
- Технология производства
- Станок для производства лего-кирпича: пошаговая инструкция
Оборудование для изготовления
Технологическая цепочка для изготовления имеет в себе:
- смесительный агрегат;
- конвейерную линию;
- приемный бункер;
- прессовый отдел.
Для старта начинающего производства можно лишь обойтись при помощи смесительного агрегата и прессового отдела. Пресса по конструктивным и технологическим особенностям могут делиться на:
- с ручным приводом;
с автоматическим или полуавтоматическим приводом.
Ручное оборудование очень примитивное в своем координировании, недорогое в обращении и ремонте. Однако, стоит помнить, что кирпич лего, выполненный по данной технологии, имеет малую прочность, обладает отличными абсорбционными свойствами, покрывается трещинами при высоких температурах.
Оборудование автоматического и полуавтоматического исполнения могут быть передвижными или неподвижными. Они могут производить более 2000 единиц в течение рабочего дня.
Наиболее важные технические параметры прессовочных агрегатов:
- усилие, прикладываемое на форму;
- прессовка снизу или сверху;
- количество готовой продукции в единицу времени.
Для выпуска кирпича собственноручно нужно обязательным образом правильно технически оснастить помещение, где в последствие будет размещаться прессовый агрегат и склад для «выдержки» готовых изделий.
Следует сделать укрепление площади под вибромашины, согласно выполненной технической документации подсоединить электричество.
Заводское оборудование должно быть оснащено перечнем необходимых настилов и стеллажей. В случае нехватки имеющихся, запаситесь дополнительно несколькими настилами и поддонами.
Чертежи
Технология производства
Наиболее характерной отличительной особенностью лего-кирпича заключается не в силуэте. Процесс изготовления не предусматривает его обжиг! Это значительным образом делает проще и дешевле уже готовые изделия. Следовательно, много людей заинтересовалось чертежной документацией и эскизами, которые помогли бы им изготовить нечто подобное.
Основополагающую роль в изготовлении играет гиперпрессование. Готовый раствор, находящийся в пресс-формах, поддается последующему прессованию силой около 30 тонн. При данной силе вода и цементный раствор спекаются или выполняется так названная «холодная сварка».
Сырье, которое используется для изготовления лего-кирпича:
- Просеянный песок.
- Глиняная масса.
- Шлаковый материал.
- Доломит.
- Цемент.
- Известковый материал.
Наилучшим полуфабрикатом считают мелкий известняк, причем размер фракции напрямую влияет на прочность полученного материала. Для того, чтобы придать готовому продукту более привлекательного вида, добавляются различные красители.
Перечень смесей с пропорциями, которые получили наибольшее распространение при изготовлении кирпича:
- глиняная масса, цемент и вода. Пропорция — 9:4:1;
- просеянный песок, глиняная масса, цемент. Пропорция 2:1:0,5, все это разбавить водой;
Поочередность шагов в производстве:
- подготовка составляющих;
- наполнение матриц смесью необходимого количества;
- прессовка;
- отстой или пропарка.
Станок для производства лего-кирпича: пошаговая инструкция
1. Для изготовления стоек для цилиндра, берем два отрезка швеллера по 1 м каждый.
Габарит ширины цилиндра должен совпадать с длиной кирпича, который планируется к производству.
2. К верхней области привариваются два металлических прямоугольника, тем самым формируется сечение.
На полученный конструктив накладывается швеллер 700 мм длины, приваривается он таким образом, чтоб был выход в одной стороне. Далее делается отверстие над цилиндром, которое соответствует его периметру.
Бункер делается по заблаговременно сделанной технической документации из металлопроката. Сам бункер монтируют на четыре опоры и приваривают над выступающей областью швеллера. Форма обязана беспрепятственно «ходить» по поясам швеллера, это необходимо учитывать перед конструированием ножек для бункера.
Поршень изготавливается по прямоугольной форме, сквозь который идут две трубки.
Используя трубки и полосы, изготавливается рукоятка, которая работает на открытие и закрытие крышки.
Берем уголок и конструируем остов для уже сконструированного оборудования.
Видео: станок для производства кирпича лего своими руками.
Republished by Blog Post Promoter
гидравлический пресс-станок для флеш кирпича с бункером для раствора
Лего — это разновидность всем привычного кладочного кирпича. Можно ли сделать станок для лего кирпича своими руками, чертежи где можно поискать? Эти вопросы интересуют некоторых жителей страны.
Лего кирпичи отличаются высокой прочностью и стойкостью к воздействию высоких температур.В лего собраны практически все лучшие качества изделий для кладки. Этот строительный материал обладает хорошей шумоизоляцией и экологичностью. Кирпич лего очень прочен и огнеупорен. Его изготовление может стать семейным бизнесом. Нужно лишь приобрести пресс для изготовления кирпича. Без него ничего не получится.
Технология производства
Главное отличие в технологическом цикле — полное отсутствие операции обжига.
Это упрощает изготовление изделий и делает их более дешевыми. Изготовление изделий основано на гиперпрессовании.
Пресс для кирпича лего выдерживает огромное давление. Оно превышает 29 тонн. Цемент в этих условиях спекается с водой, между компонентами происходит процесс холодной сварки. Для изготовления прессованного кирпича используются:
- песок просеянный речной;
- глина очищенная;
- шлаки различные;
- доломит;
- травертин;
- качественный цемент;
- известняк.
Известняк лучше использовать мелко перемолотый. Чем мельче его частицы, тем качественнее будет кирпич. Для придания ему определенного цвета в смесь добавляют различные красители. Широко известные смеси состоят из:
- глины, цемента и воды в пропорциях 9:3:1;
- песка, глины и цемента 2:1:0,5 + немного воды;
- портландцемент и мелуза 1:3.
Чтобы сделать кирпич, нужно произвести ряд операций:
- готовится рабочая смесь;
- подается смесь на матрицу для формовки;
- прессуется состав;
- изделие отстаивается.
Нормальная линия по производству изделий состоит из смесителя, ленточного конвейера, бункера и пресса. Для ускорения производства нужна еще пропарочная камера. Готовые изделия пропариваются в ней на протяжении 24-48 часов. От этого они становятся более прочными.
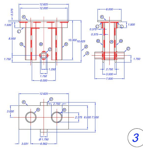
Станок для домашнего пользования
Изображение № 2. Чертеж станка для производства лего кирпичей.Для домашнего производства достаточно иметь смеситель с прессом. Пресс бывает автоматический или ручной (изображение № 1). Станок с ручным управлением отличается простотой конструкции, он надежен и стоит недорого. Но и продукция отличается от заводских экземпляров. Самодельный пресс выдает кирпич меньшей прочности. Он способен дать трещины в морозную погоду. Это происходит по причине впитывания излишней влаги. Автоматическая линия способна выдавать за смену 1,5-2 тысячи готовых изделий.
Чтобы сделать станок самостоятельно, нужно внимательно изучить чертежи станка для производства лего (изображение № 2) и его схемы.
- листовую сталь разной толщины;
- швеллер;
- трубы для ручки и поршня;
- уголки металлические;
- гайки, шайбы, болты;
- аппарат для сварочных работ;
- болгарка с дисками.
Из швеллеров делаются 2 стойки цилиндра. Ширина его должна быть равна длине кирпича. Сверху нужно приварить прямоугольники и сформировать сечение. Бункер сваривается из листового металла. Его выход должен полностью соответствовать длине и ширине формы. Из листового металла делается прямоугольный поршень. Через него должны пройти 2 трубы. Для закрытия и открытия крышки крепится болтами и гайками рукоятка из куска трубы. Основание станка сваривается полностью из уголка. Такой станок предназначен для изготовления кирпича полнотелого и с отверстиями. Матрицы для лего кирпича можно купить готовые или сделать их самостоятельно.
Для размещения оборудования в домашних условиях необходимо приготовить специальное место в сарае или в гараже.
В помещении нужен свет и вода. Температура в нем должна быть на уровне 10-35°.
Заключение по теме
Оборудование для выпуска кирпичей интересует многих. Отзывы людей, которые купили или сами сделали станки, более чем положительные. Некоторые из них сделали производство кирпича своим бизнесом. Они делают и продают кирпич для кладки стен другим людям.
Самодельный станок позволяет производить готовую продукцию прямо на строительной площадке.
Можно поставить на пресс для производства кирпича гидравлический привод. Это обойдется гораздо дороже, но гидравлические прессы выдают продукцию очень прочную. Стоит она тоже значительно дороже.
Кирпич становится годным для кладки через 21 день после его изготовления. За эти дни он набирает максимально возможную прочность. Сушить его лучше в проветриваемом месте, но обязательно под крышей.
Как собрать раздатчик конфет Lego
Собери работающую машину по производству конфет из кубиков LEGO®!
Есть M&M’s? Или скиттлз? Даже если вы не занимаетесь угощением, кажется, что в это время года вокруг всегда плавает множество конфет… Добавьте немного творчества своим детям с помощью этого веселого проекта LEGO®! Сдвиньте ручку, чтобы выпустить несколько M&M’s в нижнюю часть машины. Затем откройте дверь, и конфета упадет вам в руку!
В этой кондитерской машине LEGO® используются детали, которые довольно легко найти. Мы надеемся, что у вас есть все необходимое для его создания. Если нет, то, возможно, ваши дети найдут другую деталь для замены или придумают собственный потрясающий дизайн!
Когда вы вытащите кирпич в правой части фотографии, M&M’s выпадет.
Затем откройте дверь спереди, и вы получите конфету!
Обновление: Этот проект был обновлен и представлен в нашей новой книге LEGO®.
Приведенный ниже дозатор конфет можно найти в книге вместе со списком деталей и инструкциями. Если вашим детям нравится строить такие проекты, им понравится наша новая книга! Проверьте это здесь: Удивительные творения LEGO из кубиков, которые у вас уже есть (партнерская ссылка)
Продолжайте прокручивать, чтобы найти инструкции к конфетному автомату, изображенному выше.
Вот как это сделать:
Шаг 1: Начните с базовой пластины 12 x 12 или чего-то подобного.
Шаг 2: Добавьте кирпичи в нижнюю часть опорной плиты, чтобы немного поднять ее.
Шаг 3: Найдите детали, которые выглядят так.
Обновление: Если вам нужно заказать эти детали, красный и черный элементы на самом деле представляют собой два кирпича. Вам понадобится коромысел 2 x 2 и подшипник коромысел 2 x 1.
Шаг 4: Соберите детали следующим образом.
Это будет пандус, по которому конфета будет скользить вниз.
Шаг 5: Найдите такие детали. Это будет дверь, которая выпускает конфеты.
Шаг 6: Прикрепите пандус к опорной пластине, как показано на рисунке. Добавьте два кирпича 2 x 2.
Шаг 7: Добавьте части двери, как показано на рисунке.
Шаг 8: Добавьте кирпичи к опорной плите, как показано на рисунке.
Шаг 9: Добавьте два кирпича 2 x 6 с каждой стороны. Добавьте по одному 1 x 6 к каждому серому элементу с отверстиями. Добавьте два кирпича 2 x 6 позади пандуса.
Шаг 10: Добавьте две плоские детали 2 x 10 над пандусом, как показано на рисунке. Добавьте два плоских и гладких кирпича 2 x 2. Эти кирпичи позволят руке, которая выпускает конфету, скользить вперед и назад.
Шаг 11: Добавьте кирпич 1 x 6 с левой стороны, как показано на рисунке.
Соберите скользящий рычаг, как показано на рисунке: один плоский кирпич 2 х 10 и один плоский кирпич 2 х 4.
Шаг 12: Начните строить камеру для конфет, как показано на рисунке.
Шаг 13: Увеличьте высоту камеры для конфет. Мы использовали несколько кусочков окна, чтобы вы могли видеть уровень конфет внутри.
Шаг 14: Наполнить конфетами!
Шаг 15: Добавьте несколько плоских деталей для верха.
(Забавно оставить это на прилавке, чтобы мамы тоже могли поделиться M&M’s… Просто говорю… 🙂 )
Вот видео, показывающее, как это работает:
(Звенит на заднем плане собака, царапающая и звенит воротником. У нас в доме никогда не бывает тихо. Никогда!)
Прокрутите вниз до комментариев и посмотрите на очаровательные диспенсеры для конфет, которые Сьюзи собрала для своих внуков! Поскольку ей нужно было заказать детали, она сделала две забавные цветовые схемы и добавила больше окон.
Они такие милые.
Нравится этот проект? ОГРОМНУЮ коллекцию наших проектов LEGO® можно найти здесь: 75+ идей для сборки LEGO
Также не забудьте заказать нашу книгу! Удивительные творения LEGO из кубиков, которые у вас уже есть. Эта книга станет отличным подарком на Новый год или день рождения!
LEGO® является товарным знаком группы компаний LEGO®, которая не является спонсором. разрешать или поддерживать этот сайт.
Или загляните в эти сообщения:
- Соберите Lego Marble Run
- Сделай сам Lego Advent Calendar — три способа!
- Стол IKEA Hack Lego
- Сборка машинки Lego с приводом от резинок
- Сборка гоночных дорожек Lego для машинок Hot Wheels
Собери свой собственный автомат для игры в пинбол LEGO
Используй свои кубики, чтобы построить автомат для игры в пинбол LEGO, который действительно работает!
Это такой забавный проект LEGO, потому что вы можете строить, а затем играть.
Мы любим создавать приспособления и проекты LEGO, которые действительно что-то делают!
Этот автомат для игры в пинбол LEGO также легко модифицировать с помощью кубиков, которые у вас есть. Вы можете настроить размер игры в зависимости от того, хотите ли вы использовать больше или меньше кирпичей. Вам обязательно понадобятся плитки, чтобы мяч мог легко катиться, но плитки не обязательно должны быть такого же цвета или размера, как показано на рисунке. Вы можете придать этому свой собственный смысл!
Первоначально мы построили этот автомат для игры в пинбол LEGO для нашей книги STEM «Гениальные изобретения LEGO с уже имеющимися кубиками». Если у вас есть ребенок, который любит возиться, ему понравится эта книга! Он упакован с 40 крутыми машинами LEGO для сборки. Каждый проект имеет движущиеся части и делает что-то классное. Книга также учит физике и инженерным понятиям посредством подробных объяснений каждого механизма.
Закажите здесь: Изобретения Genius LEGO из кубиков, которые у вас уже есть
В автомате для игры в пинбол в книге нет способа выпустить мяч.
Вы просто кладете мяч в верхнюю часть игры, чтобы начать ее. Я всегда хотел вернуться к этому проекту и найти способ построить рычаг, который выпускал бы шарик, как настоящий автомат для игры в пинбол. Однако я не хотел использовать какие-либо редкие элементы LEGO, такие как амортизаторы/пружины Technic. В итоге я получил простую резиновую ленту. Это работает очень хорошо!
Демонстрация видео!
Хотите увидеть наш автомат для игры в пинбол LEGO в действии? Нажмите кнопку воспроизведения, чтобы посмотреть видео.
Инструкции по сборке автомата для игры в пинбол LEGO
Основание нашего автомата для игры в пинбол состоит из двух пластин 16 x 16. Я установил основу, как показано ниже, чтобы создать опоры для игры в пинбол. Важно, чтобы автомат для игры в пинбол располагался под углом, чтобы шарик катился.
Соберите показанные детали, чтобы прикрепить пинбол к основанию.
Постройте две опоры, каждая из которых состоит из плиты 1 x 4, кирпича Technic 1 x 2 и двух кирпичей 1 x 6.
Затем постройте две опоры, каждая из которых состоит из пластины 1 x 6, кирпича Technic 1 x 2 и двух кирпичей 2 x 4.
Соберите их, как показано ниже.
Затем наденьте эти опоры на черные штифты Technic на основании.
Теперь вы готовы собрать игру в пинбол.
Я начал с двух пластин 16 x 16. Затем я добавил дополнительные пластины, чтобы создать выпуск пинбола в правой части игры.
Вот вид снизу, чтобы вы могли видеть, как я соединил все пластины вместе.
Мне нужно было найти способ направить мяч через выброс так, чтобы он катился за угол и опускался в игру. Эти клиновидные кирпичи 2 x 3 работали хорошо! Сверху на каждой из них находится клиновидная пластина 2 х 3.
Клиновые кирпичи прикреплены к одному ряду шипов на игровом поле, но они также перекрывают плитки.
Я использовал 2 х 2 круглых кирпича, чтобы создать бамперы, от которых будет отскакивать мяч.
Я также сделал несколько коротких пандусов, прикрепив подъемники Technic к пластинам 2 x 2 с помощью одной шпильки сверху.
Вот как я построил ласты или маленькие ракетки, которыми игрок отбивает мяч.
Сначала я прикрепил кирпич 2 x 2 с помощью булавки сверху.
Вот статья на Brick Link. Это называется модифицированный кирпич 2 x 2 с верхним штифтом и боковыми пластинами 1 x 2. Чтобы сохранить этот кирпич в безопасности, я добавил темно-серый изогнутый наклон 2 x 2 поверх каждого из них.
Затем для ласт я использовал подъемник Technic. Это Technic Liftarm Modified Bent Thick 1 x 11,5 Double.
Прикрепив резинку к ласту, вы увеличите натяжение, что позволит вам ударить по мячу с большей силой. Я знаю, это звучит смешно, потому что резинка тянет в противоположном направлении, но поверьте мне, это работает!
Прикрепить игру к базе. Затем подъемники Technic прикрепляются к штифтам в нижней части игры. Затем резинка натягивается на крючок на основании игры.
Используйте несколько простых кубиков, чтобы построить маленькую корзину, которая ловит мяч, когда он падает с игрового поля.
Чтобы использовать ласты, просто переместите их руками.
Размер этой игровой доски позволяет регулировать положение плавников, чтобы сделать игру проще или сложнее. Используя показанное положение, между ластами есть зазор, и мяч может проскользнуть через него. Если вы переместите только один из ласт на одно отверстие на подъемнике Technic, зазор сократится, и мяч не упадет в корзину.
Вот как я построил выпуск мяча для автомата для игры в пинбол LEGO.
Сначала соберите указанные кирпичи. Дротик с красной пружиной не будет использоваться в качестве дротика. Он используется для предотвращения соскальзывания резиновой ленты между кирпичами Technic. Так что, если у вас нет одного из них, я уверен, что вы можете импровизировать и найти что-то еще, чтобы удерживать резинку на месте!
Прикрепите два технических кирпича 1 x 6 к светло-серой пластине 2 x 6. Затем добавьте еще одну светло-серую пластину 2 x 6 сверху.
Проденьте резинку через отверстия на каждом конце кубиков Technic.

